
Raspberry Pi 4のカメラコネクタの位置(今さら情報)
結論
Raspberry Pi 4 Model Bのカメラ用フレキシブルケーブルのコネクタは、位置がUSBコネクタ側に1.5mm移動しています。カメラ用ケーブルのスリットを入れた基板を作る時はご注意ください。
はじめに
Raspberry Piに載せられる基板を開発していて、試作基板を動作確認用にRaspberry Pi 4 Model Bに載せたところ、カメラ用のスリットが本体基板上のコネクタと位置が合っていないことに気が付きました。
比較
この基板の外形データはRaspiberry PiでHATの規格が公開されたB+だったか2だったかの頃に作ったものなのでおかしいなと思って3 Model B+と比較してみたところ、確かにずれていました。
上が3B+、下が4B
図面で確認
現物で確認するのもいいですが、はっきりさせるにはやはり図面で確認したいところです。Raspberry Piの外形図面はRaspberry Pi DocumentationのRaspberry Pi Hardwareにあります。
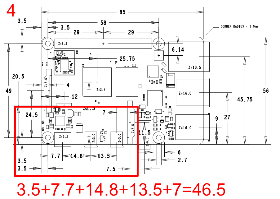
まずは3B+。基板の左端からカメラコネクタの中心まで45mmです(32+13=45mm)。
次に4B。かなり細かくなりますが46.5mmでした(3.5+7.7+14.8+13.5+7=46.5mm)。
確かに1.5mmずれています。
そしてHATの図面
ではHATの図面ではどうなっているのか。ここで定義されているのに変えたとすれば大したものです。HATの図面はMechanical Drawingsにあります。
まさかの指定なし
スリットの位置は未定義でした!びっくり。
まとめ
- Raspberry Pi 4 Model Bではカメラコネクタの位置が1.5mmずれています
- HATでは未定義なので設計する際にはいい感じにしましょう