Adafruit LM73100搭載 理想ダイオードモジュール(最大25V/5A)
送料区分: 200
商品コード: ADA-6359
発売日: 2026-01-30
在庫数: 7
短いURL: ssci.to/10640
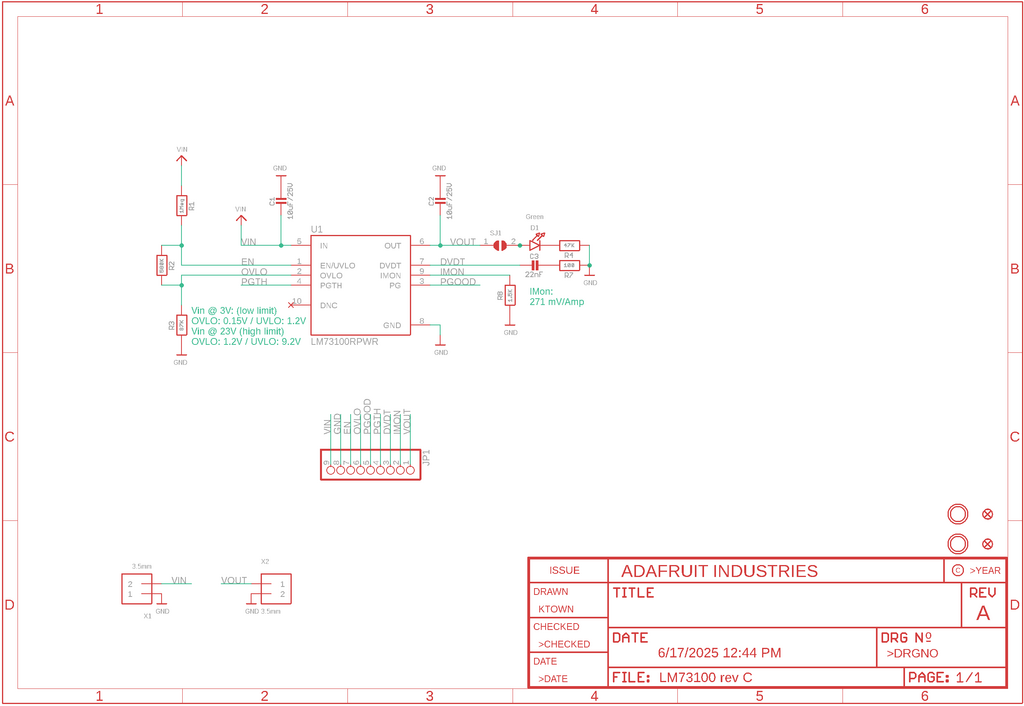
LM73100を搭載したターミナルブロック付きの理想ダイオードモジュールです。電源電圧がDC 3〜23 V 、電流が最大 5 Aであれば、電流を一方向に流すためにダイオードの代用ができます。ダイオードと異なり、熱になって失われる1 V超の順電圧降下はありません。チップにはバック・トゥ・バック接続のFETを2個内蔵しています。オン抵抗 RDS(ON) 標準値は30 mΩで、5 Aを流す場合、電圧低下は約150 mVです。ソーラーパネルやLi-Po電池などの効率に敏感な場合に適しています。
ターミナルブロックが搭載されており、はんだ付け作業が不要です。電流が正常方向に流れていれば、緑色LEDが点灯します。電流引き込み量はアナログ電圧IMONの読み取りでモニターできます。
2.54 mmピッチのブレークアウトパッドを用意しており、付属のヘッダをはんだ付けすることでブレッドボードで使用可能です。ブレッドボードを使用せずに回路に直接挿入したい場合には、直接ターミナルブロックに配線してください。
仕様
- 広い入力電圧:2.7 〜 23 V
- 絶対最大電圧:28 V
- 最大負電圧:-15 V
- バック・トゥ・バック接続MOSFET内蔵
- オン抵抗RDS(ON):28.4 mΩ (標準値)
- 真の逆電流阻止を行う理想ダイオード動作
- 高速過電圧保護
- 応答時間:1.2 μs (標準値)
- 定常状態での過渡電流に対する高速トリップ
- 応答時間:500 ns(標準値)
- フォルト後ラッチオフ
- アナログ負荷電流出力(IMON)
- 電流範囲:0.5 ~5.5 A
- 精度:最大±15%(出力電流が1 A以上の場合)
- 過熱保護回路
- PG(パワーグッド)表示
- 寸法:25.6 mm x 17.6 mm x 11.9 mm
ピン配置

- 電源
- VIN / IN (ターミナルブロック)- 電源入力(3 〜 22 V DC)
- Vout / OUT (ターミナルブロック)- 理想ダイオード出力
- GND / GND(ターミナルブロック)- 共通グラウンド
- LM73100
- UVLO - 低電圧ロックアウト閾値ピン(1.2 V@3 V、9.2 V@23 V)
- OVLO - 過電圧ロックアウト閾値ピン(0.15 V@3 V、1.2 V@23 V)
- PG - パワーグッドピン(適切な電源電圧検出で点灯)
- PGTH - パワーグッド閾値ピン
- DVDT - スルーレート/インラッシュ電流制御ピン
- IMON - 電流モニターピン
- Power LEDとジャンパー
- Power LED- 緑色の電源LED
- LED Jumper - パワーLEDを消灯する場合にパターンカット
内容物
- 1 x Adafruit LM73100 理想ダイオードモジュール(25 V / 5 A)
- 1 x ピンヘッダ

回路図

寸法図

資料